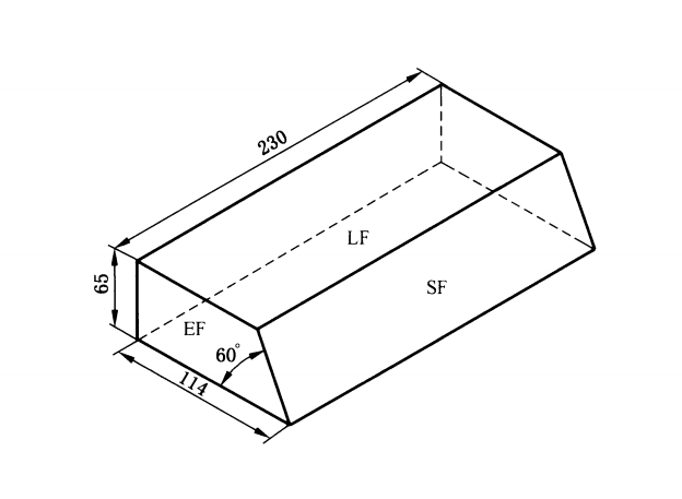
拱脚砖:推力拱(或拱顶)砌体两侧的受力整块支承砖,见图10。按适用于不同高度砖层,分为适用于65mm砖层高度的拱脚砖和适用于75mm砖层高度的拱脚砖。

说明:
LF—两面积相等、相互平行包括三角形的大面;
SF—两面积不等的垂直矩形侧面和倾斜矩形侧面;
EF—两面积不等、相互平行的矩形端面。
图10拱脚砖
组合拱脚砖:由顺砌拱脚砖和顶砌拱脚砖或侧砌拱脚砖配合砌筑的拱脚砖。
顺砌拱脚砖:平砌层中,顺砖的一个侧面为倾斜面(对水平面成60°)的组合拱脚,见图11。

说明:
LF—两面积不等、相互平行的矩形大面;
SF—两面积不等,一个垂直和一个倾斜的矩形侧面;
EF—两面积相等相互平行的直角梯形端面。
图11顺砌拱脚砖
顶砌拱脚砖:平砌层中,顶砖的一个端面为倾斜面(对水平面成60°)的组合拱脚砖,见图12。

说明:
LF—两面积不等、相互平行的矩形大面;
SF—两面积相等、相互平行的直角梯形侧面;
EF—两面积不等一个垂直和另一个倾斜的矩形端面。
图12 顶砌拱脚砖
侧砌拱脚砖侧砌层中,砖的一个端面为倾斜面(对水平面成60°)的组合拱脚砖,见图13。

说明:
LF—两面积相等、相互平行的直角梯形大面;
SF—两面积不等、相互平行的矩形侧面;
EF—两面积不等、一个垂直和另一个倾斜的矩形端面。
图13侧砌拱脚砖
端面倾斜拱脚砖:砖的一个端面为倾斜面(对水平面成60°)的组合拱脚砖包括顶砌拱脚砖和侧砌拱脚砖。
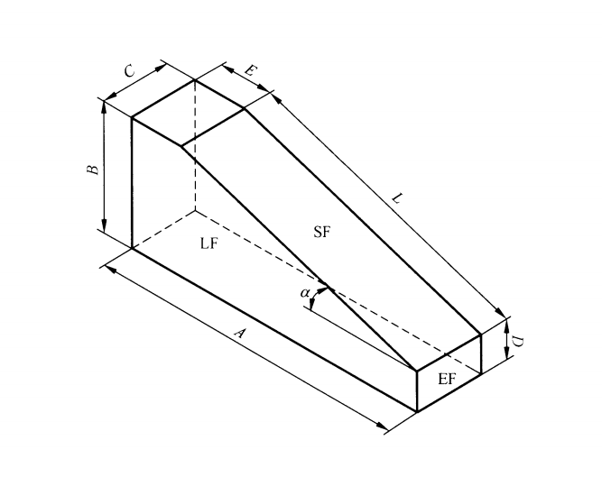
长拱脚砖:两个侧面(倾斜侧面和底侧面)都较长的整块拱脚砖见图14。

说明:
LF—两面积相等、相互平行的直角梯形大面;
SF—两面积不等、一个倾斜和另一个水平的矩形侧面;
EF—两面积不等、相互平行的矩形端面。
图 14 长拱脚砖
综上所述便是郑州超裕拱脚砖厂家,为大家讲述的有关于拱脚砖的型号规格。
- 上一篇:楔形砖的形状尺寸及分类标准
- 下一篇:扇形砖的形状与尺寸





