水泥窑用陶粒轻质耐火混凝土砌块的规格尺寸与性能要求
水泥窑用陶粒轻质耐火混凝土砌块的规格尺寸与性能要求
陶粒轻质耐火混凝土砌块(简称砌块)。是以高铝水泥或高铝水泥-65作结合剂,以页岩陶粒、粉煤灰陶粒或增铝陶粒作骨料,采用振动法或振动加压法成型所制得的轻质耐火制品。现行国家标准规定,砌块按材质分为页岩质、粉煤灰质及增铝陶粒质三类。其代号分别为GE、GF、GL。陶粒轻质耐火混凝土砌块主要用于水泥窑内作单层隔热窑衬。其适用的热面温度区段是:GE——低于1000C;GF——低于1200C;GL——低于1300℃。
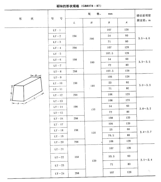
陶粒轻质耐火混凝土砌块的形状规格见下表。

陶粒轻质耐火混凝土砌块的技术要求:
结合剂:GE、GF砌块采用标号不低于525号的高铝水泥,其性能须符合GB201-81《高铝水泥》的规定;GL砌块采用标号不低于625号的高铝水泥-65,其性能须符合JC236-81《高铝水泥-65》的规定。
骨料:增铝陶粒耐火度不得低于1600C。页岩陶粒中AI2O3含量不得小于18%,Fe2O3含量不得大于8%,(MO+M2O)含量不得大于6.5%。吸水率不得大于10%。粉煤灰陶粒中AI2O3量不得小于30%,Fe2O,含量不得大于7%,(MO+M2O)含量不得大于7%。吸水率不得大于22%。
陶粒轻质耐火混凝土砌块的物理性能见下表。

试样养护龄期为:GE、GF7d、GL14d。
陶粒轻质耐火混凝土砌块的允许尺寸偏差:尺寸不大于120mm的允许偏差为±1.5mm;尺寸大于120mm的允许尺寸偏差为±2mm。
陶粒轻质耐火混凝土砌块的外形要求:砌块不得有深度大于15mm的掉角。砌块表面不得有累计面积大于5%总面积未振实而产生的深度和直径大于2mm的蜂窝麻。砌块的扭曲不得大于2mm。砌块的裂纹宽度不大于0.25mm时不限制;裂纹宽度在0.25~1.0mm时裂纹长度不得大于5.0mm,且不得多于5条。不得有跨过两个面的裂纹出现。裂纹宽度大于1.0mm者不允许。
- 上一篇:工业窑(焦)炉用硅砖性能要求
- 下一篇:耐火砖制砖料耐火原料的压制成型过程





